莫干山地板新品推荐:无醛科技木横空出世
科技木是以人工林或速生材的旋切(或刨切)单板为主要原材料,采用单板调色、层积、模压胶合成型等技术制造而成的一种具有天然珍贵树种木材的质感、花纹、色调等特性或其他艺术图案的新型木质装饰材料。
科技木生产过程中一道重要的工序就是胶压,目前行业普遍使用的是脲醛树脂胶黏剂,不可避免地会释放出游离甲醛,这是科技木行业的一大痛点。莫干山科技木作为行业领导者,通过不断的技术革新,在行业内率先实现E1级(≤1.5mg/L)产品全覆盖,特殊定制产品,能达到E0级(≤0.5mg/L)。
莫干山科技木,技术依托于云峰莫干山家居研究院,不断深化与中国林科院木材工业研究所、南京林业大学、浙江农林大学、苏州大学等科研院校的产学研合作,一直致力于技术创新和科研投入,不断提升产品的品质,最终打造出无醛科技木。
聚焦行业痛点,开创无醛空间
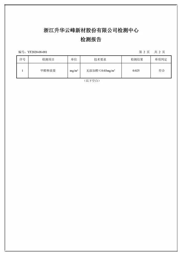
莫干山科技木为了打造无醛健康产品,成立以云峰莫干山家居研究院副院长、教授级高工庞小仁为主导的“无醛科技木开发项目”。科研团队根据科技木工艺特点,创新无醛胶黏剂,并联合中国林科院木材工业研究所、中国科学院宁波材料技术与工程研究所、浙江农林大学等科研院校共同攻克关键核心工艺技术。经过近2年的科技攻关,终于在2020年7月,第一张无醛科技木皮在莫干山诞生,标志着莫干山科技木产品体系开启了装饰建材领域无醛空间,引领行业迈向环保新高度。经莫干山家居研究院检测,甲醛释放量0.025mg/m³(干燥器法检测结果为0.1mg/L),满足T-CNFPIA 3002-2018《无醛人造板及其制品》标准的要求。
我们一直秉承科技木“源于自然,胜于自然”的宗旨,积极携手中国科学院与国内一流科研院校的专家学者,广泛开展深入的产学研合作,努力走在时代前端,也站在产品塔尖。创新,让未来超越想象;莫干山科技木,匠心笃行,专心造木。
网址:莫干山地板新品推荐:无醛科技木横空出世 https://c.jiaju82.com/news-view-id-715313.html

