在成都生活过的人都知道,成都的冬天不仅空气潮湿,甚至还有可能夹杂着雨雾,在这样一个城市里生活,早上起来衣服可能就会像洗过没晾干一样的湿润,出个门头发被雾气打湿,连续多日不见太阳都是见怪不怪的事了,而成都的老龄人口又占多数,对于这些现象也就直接导致了美景舒适家这家暖通公司的暖气供应量年年递增。对于家庭采暖如何选择,美景舒适家露出了专业暖通公司才有的办法。

作为南方人对于暖气系统肯定大都跟我一样没有太多概念,也就只知道个地暖,暖气片等,其实在美景舒适家的产品里面我们就能了解到暖气除了地暖系统和暖气片系统还可以作为混合系统一起使用,这一点实为惊讶到本南方人了。不过混合系统也只有类似别墅的跃层局部高空间供暖才建议使用。地暖又分为电地暖和水地暖等,暖气片分为不同材质的暖气片。面对这么多不同的采暖设备,究竟该如何选择呢?它们又有什么不同呢?就让美景舒适家来一一为你解答吧!
一、常见暖气片分类
铁制暖气片:优点成本低,早期暖气片主要类型。缺点:极易氧化,体积偏大,造型较粗糙。
铝制暖气片:优点是散热性能好,缺点:造价较贵,对水质要求高,注入系统的水PH值要小于7。
钢制暖气片:优点散热性较好,较为美观。缺点要防止大量氧气进入系统,需满水保养。
复合型暖气片:主要材料铜/铝/钢等,抗腐蚀性能较好。缺点:造价贵。

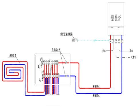
二、水地暖和电地暖
水地暖的优点:没有辐射,发热平稳,适合老人小孩;地暖管与建筑同寿命;可以提供生活热水;经过20多年发展,维修保养技术成熟。
缺点:前期安装成本高;地面盘管需清洗,一般2-5年清洗一次;锅炉需要保养,一般每两年需要保。
电地暖的优点:免维护,不需清洗;后续保养成本低;使用寿命高,碳晶地暖等理论使用寿命可达50年以上。
缺点:不能提供生活热水,有轻微辐射;一旦有坏区需全部更换;如果大面积长时间使用,就电价来讲后期使用成本较水地暖高。
看到如此清楚的对比分析了之后,相信大家都知道应该怎么去挑选适合自己的家庭采暖系统了。但是美景舒适家还是谨慎的提醒各位,在安装时一定要用经验丰富的安装师傅,选择正规的安装公司,同时还要注意以下这些事项!

对于暖气片安装,美景舒适家坚持这三大安装原则:
1、能用钢制板式就不用管式(水容量小 散热面大,同样体积的情况下 ,板式暖气片比管式暖气片的散热量大三分之一)。
2、能用低的不用高的(因为热从下往上升,越低越均匀,越低越舒适)。
3、能靠近窗户安装不要远离窗户安装,落地窗除外。
对于地暖管道安装,一定注意这些地方:
1、地暖覆盖层仅起保护采暖管道作用,如地面材料为强化地板或实木复合地板,需装修方根据地面铺设材质对基面水平度及平整度要求,整体再找平一次,装修方在二次找平时,依然需要在四周加设沿墙保温带,以防止热胀冷缩导致的面层开裂。
2、若卫生间设计有地暖,在卫生间装修本身就要改造的情况下,可以从卫生间过管路,以减少阻力。如果不改造,需装修方提前说明,以便绕行。
3、控制:锅炉和地暖控制器应单独从分线盒接电源线,以减少故障可能。
不管选择的是暖气片还是地暖,想要更好更长久的拥有舒适体验感,就得根据户型,家具的摆放与暖气相结合起来整体规划,合理分配才行。总之,选择一家好的安装公司,这些问题就有专业的技术人员为你做出合理方案。美景舒适家就是一家致力于成为全国智能舒适家居行业的领导者,同时也是舒适家居行业的命名者、定义者、引领者;是全国舒适家居行业极具影响力的专业公司。用暖气选美景,大品牌值得信赖!

